- Главная
-
- Каталог мебели
-
- Мягкая мебель
-
- Угловые диваны
-
- Угловой диван Винсент SM
Угловой диван Винсент SM
Привозим мебель минимум 2 раза в неделю.
Изготавливается под заказ, срок 3-5 недель, предоплата 50%.
Мебель изготавливается под заказ по индивидуальным размерам, обмену и возврату не подлежит.
Цена указана в ткани 1 категории. Окончательная стоимость будет зависеть от выбранной ткани.
Возможны различные варианты комплектации. Диван может быть изготовлен по размерам заказчика.
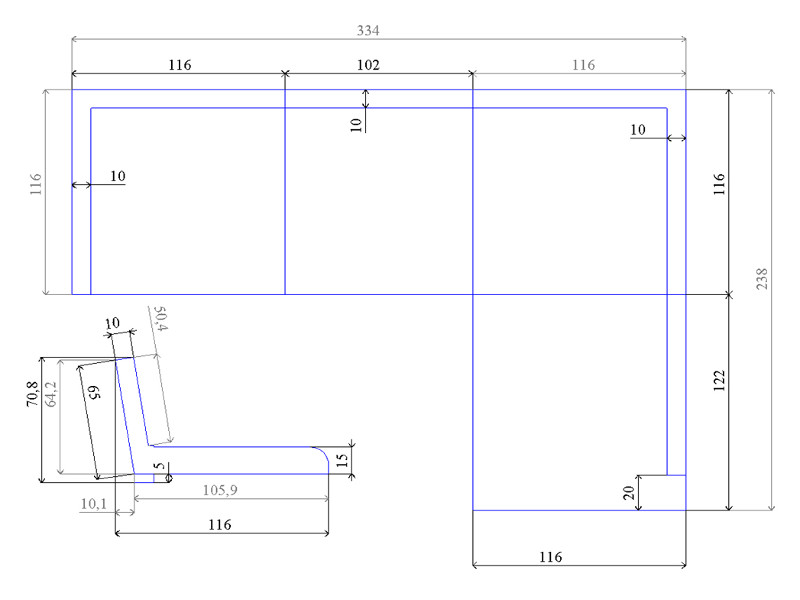
Размеры общие: 3340 х 2280 мм
габариты по глубине подлокотника 116, ширина по фронту 334 , длина по угловой секции-238, локотник 10 см
Механизм трансформации: нет
Каркас: мебельная фанера, деревянный брус
Наполнитель: синтепух, ппу гранулы












